hotline
021-66982216SVC(Static Var Compensator),是靜止無功補償裝置的簡稱,區別于傳統無功補償方式(通過開關投切電容器或通過分接開關調節電容器端電壓),SVC屬于動態無功補償產品,它具有最快10ms的響應速度,是目前技術較為成熟的最快的無功補償方式,由于SVC以可控硅作為調節執行單元,它還具有可連續無級調節(通過改變可控硅導通角),調節時無涌流、拉弧,無機械開關使用壽命的限制等優點。特別適合一些需要快速補償的工業場合,如電弧爐、軋機、電力機車等,可以顯著提高用戶的功率因數(最高可接近1),最大程度的為用戶節能降損,同時可降低用戶接入電網的公共點的電壓波動與閃變,
此外,SVC也可用于輸電系統或樞紐變電站,對維持系統母線電壓穩定,提高線路輸送容量,以及提高輸電系統的暫態穩定性都有一定的作用。SVC成套裝置一般由可調電抗(通過可控硅單元或硅閥調節),FC無源濾波,以及控制和保護系統組成。目前,根據可調電抗器的調節方式及工作原理不同,又可分為TCR型(晶閘管控制的電抗器)、TCT型(晶閘管控制的變壓器)、MCR型(磁控電抗器)3種類型。
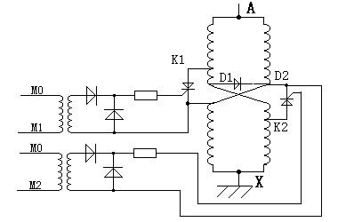
一、TCT型SVC工作原理
TCT又名晶閘管控制變壓器,它是一種高漏抗變壓器,其二次繞組接晶閘管,通過控制導通角就能提供連續變化的無功功率。如下圖所示:

當TCT阻抗電壓達到100%時,SCR可工作在全短路狀態。此時TCT工作在額定容量SN。
當SCR的導通角在90~180°間變化時,TCT的輸出容量在0~SN之間連續變化。
二、MCR型SVC工作原理
它通過控制晶閘管的導通角,改變鐵心的磁飽和度,使MCR輸出的無功功率可連續無極調節。

SVC技術特點
1.由于SVC使用可控硅作為主調節器件,調節時無拉弧、涌流,設備使用壽命長。
2.無功補償精細。由于可連續調節,實現系統需要多少無功就補多少無功。
3.配合FC高壓無源濾波,將系統諧波水平濾除到符合國標要求。
4.全數字控制系統,響應速度快,調節精度高。
希拓電氣(常州)有限公司作為一家集研發、生產、銷售和服務于一體的高新技術企業,自主研發的無功補償裝置,該裝置充分考慮了城鄉電網的特點,可以保證城市低壓配電網無功補償的安全、可靠和準確性。
同時作為常州市“龍城英才計劃”領軍單位,我們致力于為用戶提供電能質量、能效管理和用電安全的系統解決方案,為用戶高效和安全用電保駕護航。期待您的來電咨詢:13912801088。
